98098彩票网

公告:本站是“洪昌聚发”唯一官方网站(dutchforkhomeschoolresourcecenter.com),其他均为假冒网站,其发布信息和活动均与我司所无关。
洪昌聚发

98098彩票网二十二年专注机械行业旋转接头和金属软管定制服务

高新技术企业 | 厂家直销 | 品质保障 | 贴心售后
139-2770-1075唯一官方电话
热门关键字:高速旋转接头高压旋转接头高温旋转接头冷却水旋转接头导热油旋转接头不锈钢金属软管

大口径 双向内管旋转式 导热油旋转接头

98098彩票网产品规格:125A-150A 

98098彩票网最高压力:≤2.5MPa 

承受温度:耐温款≤350ºC 

98098彩票网最高转速:≤250RPM

应用介质: 导热油\蒸汽\高温水\高温介质等

24小时销售热线: 139-2770-1075 / 唯一官方电话

旋转接头设备特写:

【JFO 3001】125A~150A 双向内管旋转式 旋转接头设备特写图

旋转接头特点:

自动同心 精密铸造 球面密封

 

旋转接头优点:

1、正球面密封,密封材料含稀土铜粉,耐磨性能好。

2、偏摆适应性强,可自动调整同心。

3、多石墨轴承支撑,运转同心度高

4、精密铸造。耐磨耐高温

5、可定制螺纹,法兰多种连接方式,内管固定或内管旋转多种使用方式。

 

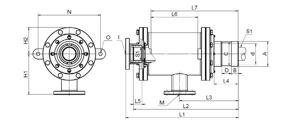
旋转接头规格尺寸:

【JFO 3001】125A~150A 双向内管旋转式 旋转接头规格尺寸图

旋转接头技术参数:

 介质  规格  最高压力 耐温款   最高转速
 导热油  125A-150A  1.0MPa  220ºC 250RPM

 规格  I  M  d  O  S1(E8)  L1  L2  L3  L4  L5  L6 L7   N  H1  H2  A(d8)  B  C  D
 125A 5''  DN125  DN100  120 20 74 620 576 309 110 50 310 495 360 235 152 144 25 138 25
 150A 6''  DN150  DN125  142 10 90 726 661 325 128 80 385 535 480 283 186 165 25 158 26
125A~150A 双向内管旋转式 旋转接头技术参数图

点击图片显示大图


旋转接头工作原理:

【JFO 3001】125A~150A 双向内管旋转式 旋转接头工作原理

 

【JFO 3001】125A~150A 双向内管旋转式 旋转接头应用使用场景

 

98098彩票网是一家致力于管路及管路接头和流体密封,集研发、设计、生产、销售、服务于一体的专业厂家,是各种管道流体密封的专业厂家。 
洪昌聚发主要生产各种规格型号的旋转接头、不锈钢金属软管、波纹管补偿器和橡胶软接头。产品适用于使用不同介质、温度、压力、连接方式和工况,并广泛的配套应用于钢铁、航天、造纸、印染、化工、橡胶、石油、塑料、电力、食品、包装、 印刷、玻璃、医药、木业等各个行业。
我公司长期不断的对产品进行技术的改革创新,使生产的产品更加的质优价廉、美观方便,让客户永远享受到更优质的产品。

如果您想了解我们的JFO 3001系列125A~150A 双向内管旋转式 旋转接头设备价格多少钱?

欢迎拨打24小时全国销售热线:13927701075

本文关键词:
联系方式
咨询热线:139-2770-1075

98098彩票网电话:13927701075 微信同号

98098彩票网QQ:3503288092

邮箱:3503288092@qq.com

地址:佛山市南海区桂城街道联东U谷桂城总部经济港4栋101-102

返回顶部
500505百万文字论坛综合资料-500308百万文字论坛-780790百万文字论坛红字-798790百万文字论坛下载-500505百万文字论坛雷锋版 天天中彩票-Welcome首页 佰富彩-安全购彩 佰富彩-welcome 旭彩网 - welcome 98彩票|官方网站 乐盈VI 佰富彩 - IOS/安卓通用版