98098彩票网

公告:本站是“洪昌聚发”唯一官方网站(dutchforkhomeschoolresourcecenter.com),其他均为假冒网站,其发布信息和活动均与我司所无关。
洪昌聚发

二十二年专注机械行业旋转接头和金属软管定制服务

高新技术企业 | 厂家直销 | 品质保障 | 贴心售后
139-2770-1075唯一官方电话
热门关键字:高速旋转接头高压旋转接头高温旋转接头冷却水旋转接头导热油旋转接头不锈钢金属软管

双向内管固定式 冷却水旋转接头

98098彩票网产品规格:15A-80A 

最高压力:≤1.6MPa 

98098彩票网承受温度:常温款≤80ºC 耐温款≤150ºC 

最高转速:≤500-3000RPM

98098彩票网应用介质:冷却水\高温水\空气\低温油等

24小时销售热线: 139-2770-1075 / 唯一官方电话

旋转接头设备特写:

【JFW-2002】20A-80A 双向内管固定式 旋转接头设备特写图

旋转接头特点:

运转稳定 机械密封 合金壳体防锈耐腐

 

旋转接头优点:

1、采用高转速电机轴承,双轴承支撑运转稳定。

2、可定制高转速型(3000r/min)。

3、达标 304 不锈钢中轴,铜铝合金壳体,防腐防锈使用寿命更长。

4、可定制螺纹、法兰多种连接方式,内管固定或内管旋转多种使用方式。

5、平衡式机械密封结构,防锈渣隔泥沙。

6、完全流体设计,可在线更换密封件。

 

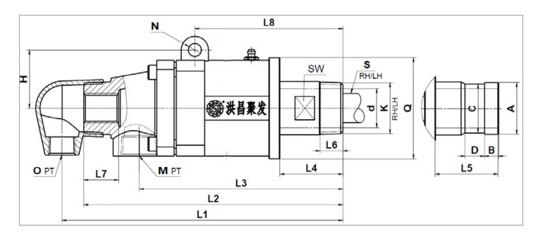
旋转接头规格尺寸:

【JFW-2002】20A-80A 双向内管固定式 旋转接头规格尺寸图

旋转接头技术参数:

 介质  规格  最高压力  常温款 耐温款   最高转速
 水  15A-80A  1.0MPa  80ºC  150ºC  500RPM

 规格  K  M  O  S  L1  L2  L3  L4  L6  L7  L8  N  SW  d  Q  H  A(d8)  B  C  D  L5
 20A 3/4''  R3/4''  Rc1/2''  Rc1/2'' G1/4'' 205 198 162 48 18 27 124.5 8 24 17 55 36 26 11 24.4 15 53
 25A 1''  R1''  Rc3/4'  Rc1/2'' G3/8'' 236 223 173 53 20 29 124 10 30 21.6 72 43 32.3 11 30.7 15 53
 32A 1-1/4''  R1-1/4''  Rc1''  Rc1/2'' G1/2'' 251 235 189 58 22 26 130.5 12 42 32 83.5 53.5 41 13 39.4 19 62
 40A 1-1/2''  R1-1/2''  Rc1-1/4''  Rc3/4'' G3/4'' 260 240 189 61 24 32 138 12 45 36 93 53.5 47.5 13 45 23 61
 50A 2''  R2''  Rc1/2''  Rc1'' G1'' 327 303 240 64 28 40 165 12 59 50 117 75 59 16 56.7 23 74
 65A 2-1/2''  R2-1/2''  Rc2''  Rc1-1/4'' G1-1/4'' 388 363 274 77 30 40 198 12 73 59 142 84 72 19 69 27 77
 80A 3''  R3''  Rc2-1/2''  Rc1-1/2'' G1-1/2'' 403 374 289 88 32 40 211 12 86 74 142 84 89.8 20 86 27 79
20A-80A 双向内管固定式 旋转接头技术参数图

点击图片显示大图


旋转接头连接方式:

【JFW-2002】20A-80A 双向内管固定式 旋转接头螺纹丝口连接

旋转接头工作原理:

【JFW-2002】20A-80A 双向内管固定式 旋转接头工作原理

 

【JFW-2002】20A-80A 双向内管固定式 旋转接头应用使用场景

 

98098彩票网是一家致力于管路及管路接头和流体密封,集研发、设计、生产、销售、服务于一体的专业厂家,是各种管道流体密封的专业厂家。 
洪昌聚发主要生产各种规格型号的旋转接头、不锈钢金属软管、波纹管补偿器和橡胶软接头。产品适用于使用不同介质、温度、压力、连接方式和工况,并广泛的配套应用于钢铁、航天、造纸、印染、化工、橡胶、石油、塑料、电力、食品、包装、 印刷、玻璃、医药、木业等各个行业。
我公司长期不断的对产品进行技术的改革创新,使生产的产品更加的质优价廉、美观方便,让客户永远享受到更优质的产品。

如果您想了解我们的JFW-2002系列 20A-80A 双向内管固定式 旋转接头设备价格多少钱?

欢迎拨打24小时全国销售热线:13927701075

本文关键词:
联系方式
咨询热线:139-2770-1075

电话:13927701075 微信同号

98098彩票网QQ:3503288092

邮箱:3503288092@qq.com

地址:佛山市南海区桂城街道联东U谷桂城总部经济港4栋101-102

返回顶部
500505百万文字论坛综合资料-500308百万文字论坛-780790百万文字论坛红字-798790百万文字论坛下载-500505百万文字论坛雷锋版 天天中彩票-Welcome首页 佰富彩-安全购彩 佰富彩-welcome 旭彩网 - welcome 98彩票|官方网站 乐盈VI 佰富彩 - IOS/安卓通用版