98098彩票网

公告:本站是“洪昌聚发”唯一官方网站(dutchforkhomeschoolresourcecenter.com),其他均为假冒网站,其发布信息和活动均与我司所无关。
洪昌聚发

二十二年专注机械行业旋转接头和金属软管定制服务

高新技术企业 | 厂家直销 | 品质保障 | 贴心售后
139-2770-1075唯一官方电话
热门关键字:高速旋转接头高压旋转接头高温旋转接头冷却水旋转接头导热油旋转接头不锈钢金属软管

小口径 双向内管旋转式 导热油旋转接头

98098彩票网产品规格:65A-80A 

98098彩票网最高压力:≤2.5MPa 

承受温度:耐温款≤350ºC 

98098彩票网最高转速:≤250RPM

应用介质: 导热油\蒸汽\高温水\高温介质等

24小时销售热线: 139-2770-1075 / 唯一官方电话

旋转接头设备特写:

【JFO 3002】25A-50A 双向内管旋转 旋转接头设备特写图

旋转接头特点:

德国密封 日本弹簧 球磨铸铁 自动同心

 

旋转接头优点:

1、球面密封结构,德国进口浸金属密封环。

2、精密铸造,球磨铸铁,耐磨损,耐高温。

3、多石墨轴承支撑,同心度高。

4、偏摆适应性强,可自动调整同心。

5、耐高温日本进口材料弹簧。

 

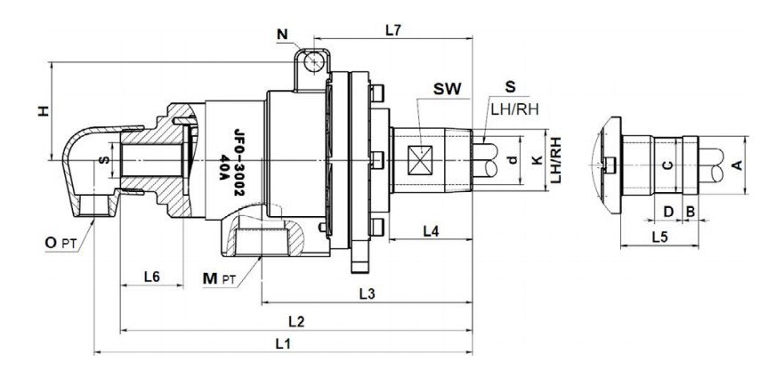
旋转接头规格尺寸:

【JFO 3002】25A-50A 双向内管旋转 旋转接头规格尺寸图


旋转接头技术参数:

 介质  规格  最高压力 耐温款   最高转速
 导热油  65A-80A  1.0MPa  300ºC 250RPM

 规格  K  M  O  S1(E8)  L1  L2  L3  L4  L6 L7   Q  SW N H1  H2  A(d8)  B  C  D  L5
 65A 2-1/2''  R2-1/2''  Rc2''  Rc1-1/4''  40  57 375 335 255 94 35 244 18 68 14 94.5 206 74 19 69 27 94
 80A 3''  R3''  Rc2-1/2''  Rc1-1/2''  46  76 407 368 214 95 40 250 18 86 16 107 260 89.8 25 86 27 95
25A-50A 双向内管旋转 旋转接头技术参数图

点击图片显示大图



旋转接头规格尺寸:

【JFO 3002】25A-50A 双向内管旋转 旋转接头法兰连接

【JFO 3002】25A-50A 双向内管旋转 旋转接头螺纹丝口连接

旋转接头工作原理:

【JFO 3002】25A-50A 双向内管旋转 旋转接头工作原理

 

【JFO 3002】25A-50A 双向内管旋转 旋转接头应用使用场景

 

98098彩票网是一家致力于管路及管路接头和流体密封,集研发、设计、生产、销售、服务于一体的专业厂家,是各种管道流体密封的专业厂家。 
洪昌聚发主要生产各种规格型号的旋转接头、不锈钢金属软管、波纹管补偿器和橡胶软接头。产品适用于使用不同介质、温度、压力、连接方式和工况,并广泛的配套应用于钢铁、航天、造纸、印染、化工、橡胶、石油、塑料、电力、食品、包装、 印刷、玻璃、医药、木业等各个行业。
我公司长期不断的对产品进行技术的改革创新,使生产的产品更加的质优价廉、美观方便,让客户永远享受到更优质的产品。

如果您想了解我们的JFO 3002系列25A-50A 双向内管旋转 旋转接头设备价格多少钱?

欢迎拨打24小时全国销售热线:13927701075

本文关键词:
联系方式
咨询热线:139-2770-1075

电话:13927701075 微信同号

QQ:3503288092

邮箱:3503288092@qq.com

98098彩票网地址:佛山市南海区桂城街道联东U谷桂城总部经济港4栋101-102

返回顶部
500505百万文字论坛综合资料-500308百万文字论坛-780790百万文字论坛红字-798790百万文字论坛下载-500505百万文字论坛雷锋版 天天中彩票-Welcome首页 佰富彩-安全购彩 佰富彩-welcome 旭彩网 - welcome 98彩票|官方网站 乐盈VI 佰富彩 - IOS/安卓通用版